山东三木化工有限公司2020年第四季度 环境信息公示
- 基础信息
- 单位名称:山东三木化工有限公司
- 组织机构代码:91371623313052899Q
- 法定代表人:王维
- 生产地址:无棣县埕口镇鲁北高新技术开发区
- 联系方式:0543-5151822
- 主要原料:甲醇、甲苯、冰乙酸;精豆油、甘油、二甲苯;氢氧化钠、三氯化铝。
7、主要产品及规模:4.5万吨/年丙二醇甲醚(PM)5万吨/年丙二醇甲醚醋酸酯(PMA)、5万吨/年合成树脂、4000吨/年光引发剂。
- 二、排污信息
- 1、主要污染物:废气:苯、氯化氢、氯气;甲苯、二甲苯、VOCS。 废水:化学需氧量、氨氮、PH值、总磷(以P计)、总氮。
2、排放方式:废气经处理达标后外排,废水输送至无棣县鲁北凌霞污水处理有限公司统一处理达标后外排。
3、排放口数量及分布:废气排放口四个,废水排放口一个,为污水处理厂总排口。
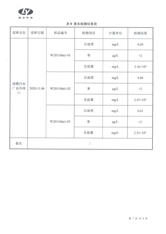
4、污染物排放浓度:无棣县鲁北凌霞污水处理有限公司废水处理采用“O/P”工艺,废水处理达标后经巴歇尔槽外排,外排口安装有在线监测设施并已联网,数据实时上传市监控平台,根据在线监测数据显示,外排废水PH平均值为6.62,COD平均浓度为26.7mg/L,氨氮平均浓度为0.512mg/L,总磷平均浓度为0.145mg/L,总氮平均浓度为3.42mg/L。废气经烟气处理系统(碱洗+冷凝+活性炭吸附)处理达标后外排,根据《检测报告》数据显示,废气颗粒物平均浓度为7.8mg/m3,甲苯平均浓度为2.93mg/m3,氯化氢平均浓度为7.12mg/m3,VOCs平均浓度为32.8mg/m3。废气、废水污染物排放均满足国家标准和要求。
- 排放污染物执行标准:外排水标准COD≦50mg/L,PH值6-9,氨氮≦5mg/L,总磷≦0.5mg/L,总氮
≦15mg/L。废气排放标准:颗粒物≦20mg/m3,甲苯≦5mg/m3,氯化氢≦100mg/m3,VOCs≦60mg/m3。
- 污染物排放总量指标及执行情况:2020年第四季度COD排放量为157吨,氨氮排放量为3.025吨,总磷排放量为0.863吨,总氮排放量为20.31吨(废水排放量均为凌霞污水厂外排废水在线监控数值),颗粒物排放量为0.036吨,氮氧化物排放量为0.254吨,VOCs排放量为1.329吨。污染物排放总量均符合总量指标控制要求。
- 固体废物:项目危险固废主要为废活性炭、聚合物、废包装物、精馏残渣、废盐。其中,2020年第四季度废活性炭共产生了13.39吨、聚合物共产生了0.5吨、废包装物共产生了0.89吨、精馏残渣共产生了5.98吨、废盐共产生了0.62吨,产生的废活性炭、聚合物、废包装物、精馏残渣、废盐分别委托山东创业环保科技发展有限公司处置。
三、防治污染设施的建设和运行情况
| 序号 |
建设内容 |
数量(套) |
工艺 |
运行情况 |
| 1 |
合成树脂生产装置 |
2 |
冷凝+碱洗+活性炭吸附 |
运行正常 |
| 2 |
PMA生产装置 |
1 |
冷凝+碱洗+活性炭吸附 |
运行正常 |
| 3 |
光引发剂生产装置 |
1 |
尾气吸收+活性炭吸附 |
运行正常 |
| 4 |
污水处理厂 |
1 |
“O/P” |
运行正常 |
| 5 |
危废暂存间 |
1 |
暂存危废 |
运行正常 |
四、建设项目环保手续
我公司建设项目严格执行环保“三同时”制度,手续齐全,公司严格管理,精心操作,目前各项环保指标均达标运行。
五、突发环境事件应急预案
我公司于2018年12月14日签署发布了突发环境事件应急预案,并已在无棣县环保局备案,备案文号:371623-2018-068-M。
六、附件
1、应急预案备案表